Као професионално предузеће са 35 година искуства у производњи прекидача, Иуекинг Тонгда Цабле Фацтори се усредсређује на „прилагођавање засновано на захтевима, технологију која обезбеђује безбедност“ и, фокусирајући се на главне производе као што су преклопни прекидачи, црвени тастери, микро прекидачи НО/НЦ и тастери НЦ, пружа прилагођена решења прекидача за различите области, укључујући медицинске и паметне куће. Са технолошким иновацијама и строгом контролом квалитета, постао је стандард у области прилагођених прекидача.
Увод у микро прекидач

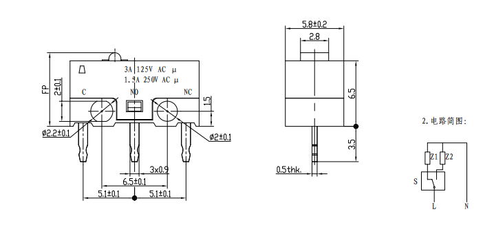
Параметар микро прекидача (спецификација)
| ИТЕМ | Главни технички параметри |
| 1 | Електрични назив: 3А 250ВАЦ |
| 2 | Електрични век трајања: Мин.10000 циклуса |
| 3 | Отпор контакта: <50мΩ |
| 4 | Радна сила: 70±20гф |
| 5 | Слободна позиција: 7,3±0,2 мм |
| 6 | Радна позиција: 7.0±0.2мм |
| 7 | Температура околине: Т85° |
| 8 | Издржљиви напон: између терминала и терминала 500В/5С/5мА; |
| Између терминала и кућишта 1500/5С/5мА | |
| 9 | Отпорност изолације:>100МΩ Тестни напон 500ВДЦ |
| 10 | Индекс праћења доказа ПТИ: 175В |
Детаљи микро прекидача
