Независни двополни гранични преклопни прекидач је аутоматска контролна компонента која се покреће механичким кретањем. Његова основна функција је откривање расељавања или можданог објекта за постизање отварања и затварања кругова, почетка и заустављања опреме или ограничавања заштите. То је неопходна "сигурност сентинела" и "акциони командант" у индустријској аутоматизацији и електромеханичкој опреми.
Пребацивање Уговориумиран
Путни прекидач (такође познат као гранични прекидач) је аутоматска контролна компонента која се покреће механичким кретањем. Његова основна функција је откривање расељавања или можданог објекта за постизање отварања и затварања кругова, почетка и заустављања опреме или ограничавања заштите. То је неопходна "сигурност сентинела" и "акциони командант" у индустријској аутоматизацији и електромеханичкој опреми.
Пребацивање Апликацијанаметнути
Примена у кућним апаратима и паметним кући:
Машина за прање веша:Огранични прекидач је инсталиран на вратима веш машине за веш. Уређај ће почети тек када су врата у потпуности затворена, а прекидач активира круг, који спречава да се цури воде или одећу избаци током рада.
Хладњак / пећница:Када су врата хладњака затворена, прекидач активира да бисте искључили унутрашњу светлост. Супротно томе, ако врата пећнице нису чврсто затворена, прекидач ће смањити снаге за грејне елементе да спречи цурење топлоте.
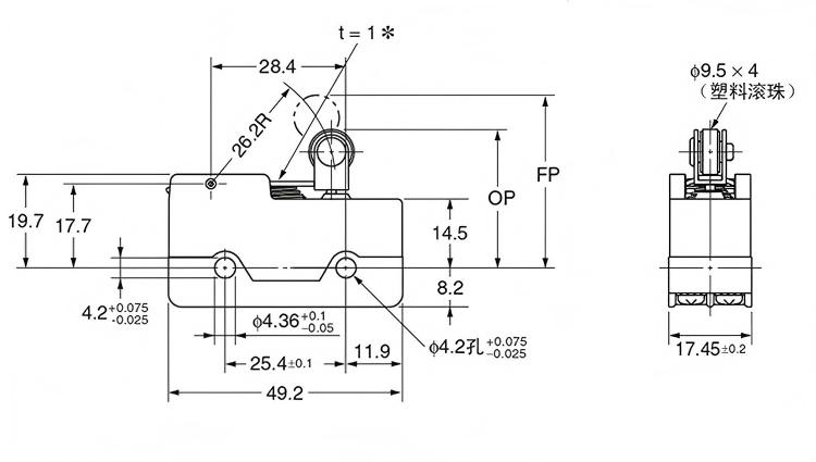
Пребацивање Детаљи
