Као референтни модел серије микро прекидача Иуекинг Тонгда Вире Елецтриц Фацтори, микропрекидач са полугом за нормално отворену електронску компоненту има „високу осетљивост, ултра дуг животни век и прилагодљивост у више сценарија“ као своје основне предности. Интегришући 35-годишњу експертизу компаније у производњи прекидача, постао је кључна контролна компонента у кућним апаратима, аутомобилској електроници, индустријској аутоматизацији и другим пољима, захваљујући свом минималном контактном размаку и механизму брзог деловања. Његове перформансе и поузданост су сертификоване од стране више ауторитативних организација широм света, обезбеђујући његову главну позицију на тржишној ниши.
Увод у микро прекидач
Серија ХК-14 нуди веома флексибилне опције прилагођавања како би задовољила различите захтеве апликација. Радна сила се може прилагодити (мање од 5,0 Н у стању без полуге, стандардно 30±15 гф), са опсегом радног хода од 0,6–1,5 мм, погодним за различите сценарије силе окидача и померања. Стилови полуга су прилагодљиви, укључујући равне, савијене и ваљкасте полуге, које могу одговарати различитим структурама механичког преноса. Обрасци за контакт покривају читав низ СПДТ (1НО 1НЦ), НО и НЦ.
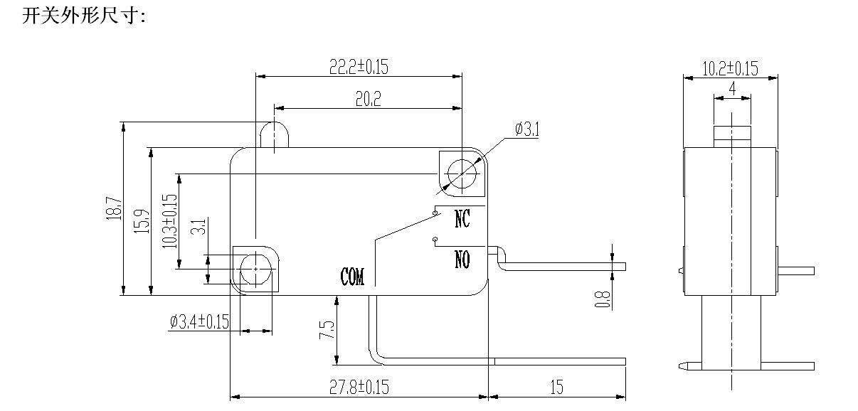
Параметар микро прекидача (спецификација)
| Техничке карактеристике прекидача: | |||
| ИТЕМ | Тецхницал Параметер | Валуе | |
| 1 | Елецтрицал Ратинг | 5(2)А/10А/16(3)А/21(8)А 250ВАЦ | |
| 2 | Цонтацт Ресистанце | ≤30мΩ Почетна вредност | |
| 3 | Отпорност изолације | ≥100МΩ (500ВДЦ) | |
| 4 |
Диелектрик Волтаге |
Између неповезани терминали |
1000В/0.5мА/60С |
|
Између терминала и метални оквир |
3000В/0.5мА/60С | ||
| 5 | Елецтрицал Лифе | ≥50000 циклуса | |
| 6 | Мецханицал Лифе | ≥1000000 циклуса | |
| 7 | Радна температура | -25~125℃ | |
| 8 | Радна фреквенција |
електрични : 15 циклуса Механички: 60 циклуса |
|
| 9 | Вибратион Прооф |
Фреквенција вибрација: 10~55ХЗ; Амплитуда: 1,5 мм; Три правца: 1Х |
|
| 10 |
Способност лемљења: Више од 80% уроњеног дела бити покривен лемом |
Температура лемљења: 235±5 ℃ Време урањања: 2~3С |
|
| 11 | Отпорност на топлоту лемљења |
Дип лемљење: 260±5℃ 5±1С Ручно лемљење: 300±5℃ 2~3С |
|
| 12 | Одобрења за безбедност | УЛ,ЦСА,ВДЕ,ЕНЕЦ,ТУВ,ЦЕ,КЦ,ЦКЦ | |
| 13 | Услови тестирања |
Температура околине: 20±5 ℃ Релативна влажност: 65±5% РХ Притисак ваздуха: 86 ~ 106 кПа |
|
Карактеристике и примена микро прекидача
Детаљи микро прекидача
