Као што професионални произвођачи, Веипенг® жели да вам пружи водоотпоран микро прекидач дуг век. А ми ћемо вам понудити најбољу услугу након продаје и благовремене испоруке. За више информација о ТХЕ 4А 30ВДЦ потопним микро прекидачем слободно нас контактирајте.
Производ Значајка


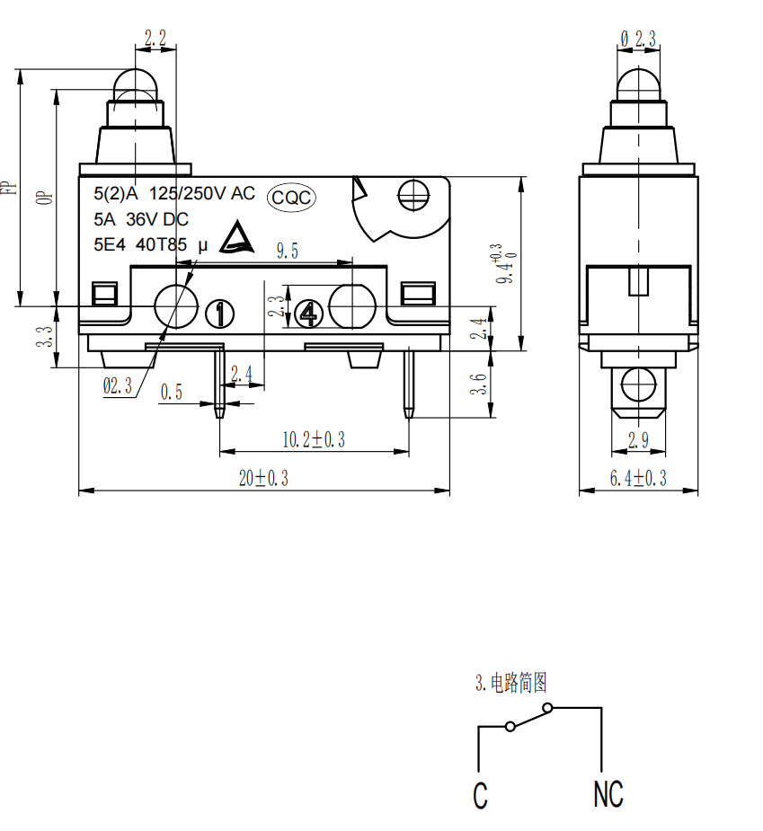
Производ Одциг
Водоотпорни микро прекидач је врста микро прекидача са водоотпорним перформансама, која нормално може радити на влажној или води.Водоотпорни микро прекидачи обично се израђују од водоотпорних материјала, који имају добре перформансе заптивања и могу спречити да влага продире у унутрашњост прекидача.Водоотпорни микро прекидач има малу величину и осетљиву силу окидача, погодну за разне сценарије апликација компактних апликација.Водоотпорни микро прекидач има стабилне електричне перформансе и може да одржава поуздане функције контакта и искључења у влажним и влажним окружењима.
Производ Карактеристика и аплицанаметнути
Аутомобилска индустрија: Водоотпорни микро прекидачи се могу користити у брисачима аутомобила, прекидачима врата и другим деловима и обично могу нормално да раде у кишним данима или када се исправе.
Кућански апарати: Водоотпорни микро прекидачи се могу користити у вешним машинама, машинама за прање судова, пљусковима и другим кућним апаратима како би се осигурало њихово нормално деловање у влажним окружењима.
Производ Одtаилс
