Кућа > Производи > Водоотпорни микро прекидач > Водоотпорни микро прекидач Ултра Цомпацт
Водоотпорни микро прекидач Ултра Цомпацт
  • Водоотпорни микро прекидач Ултра ЦомпацтВодоотпорни микро прекидач Ултра Цомпацт

Водоотпорни микро прекидач Ултра Цомпацт

Водоотпорна микро прекидач ултра компакт има мали контакт интервал и брзи механизам акције и механизам за контакт за пребацивање акције са наведеним можданим ударцем и силом покривена је шкољкама, а споља је преношење и облик је мали.

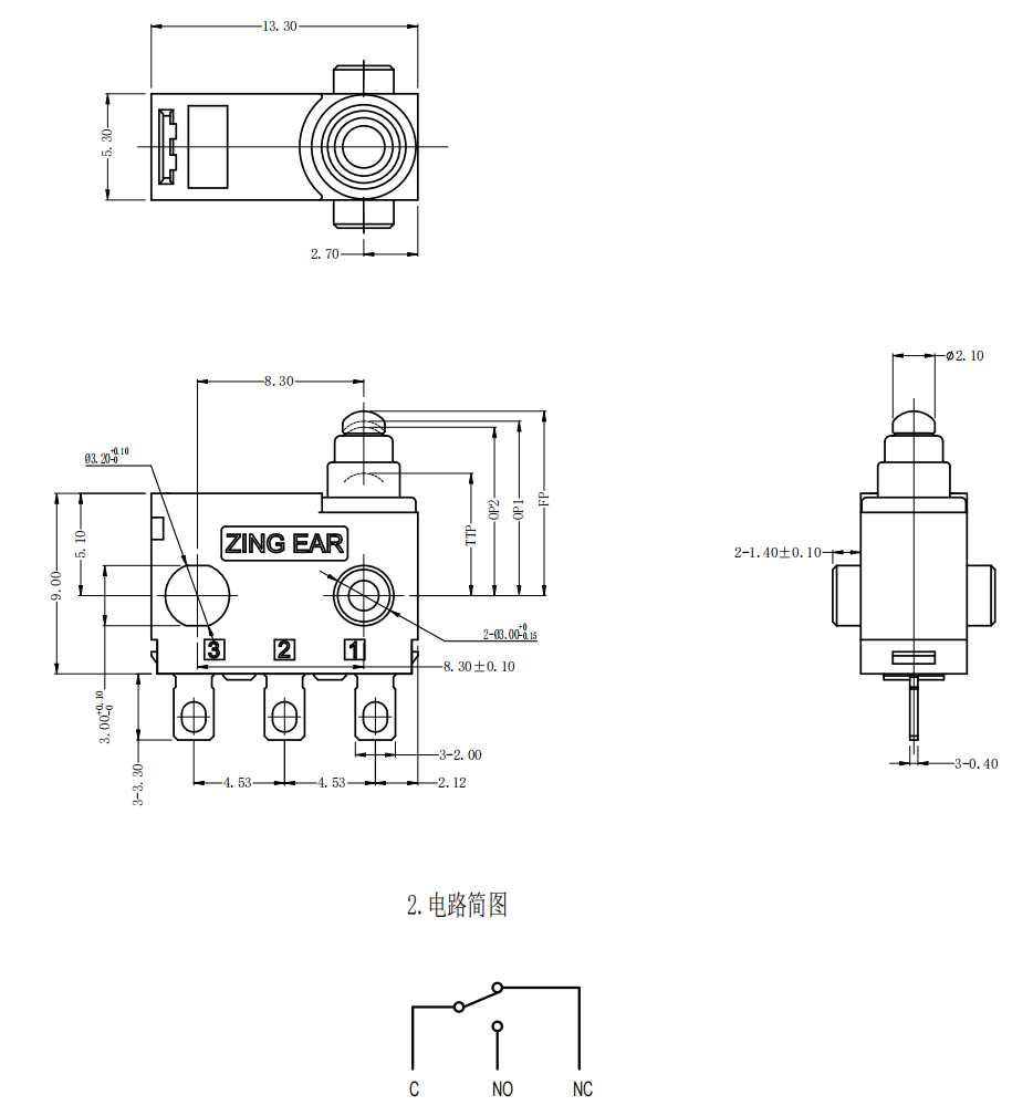
Модел:FSK-20-586

Пошаљи упит

Опис производа

Веипенг®је водећиКина производитиРС, додатниИЕРС и извозник водоотпорне микро пребаци ултра компакт

Производ Уговориумиран 


Овај затворени водоотпоран микро прекидач погодан је за контролне прекидаче у паметним домовима. Може да реализује даљински управљач светла, завеса, брава на вратима итд.Водоотпорни микро прекидачи обично су дизајнирани са ниским буком.Када употребом водоотпорног прекидача, избегавајте превише или премало силе.Избегавајте прекомерне вибрације или судар водоотпорне прекидача.Избегавајте да користите оштећени водоотпоран прекидач, треба га заменити на време.Ако је медицинска опрема МИЦРО СВИТЦХ МИНИ ненормално или не ради, треба га тражити одмах и треба потражити помоћ за професионално одржавање.У складу са одговарајућим прописима и стандардима електричних безбедности и стандарда у вашој земљи или региону.

Овај 30-волт прекидача за ракер садржи двоструку конкретну структуру контаката, технологију за гашење АРЦ-а и функцију заштите од преоптерећења, обезбеђивање сигурних перформанси. Опремљен је опружним механизмом војног разреда и анти-вибрације унутрашње конструкције за закључавање, што га чини поузданим квалитетом.


ТонаФАК ФАК ГДА




К1. Да ли имате било какву сертификацију о својој фабрици или производима?

А1: Наравно, имамо јак систем сертификован, попут ИАТФ16949, ИСО14001, УЛ, ТУВ, ВДЕ, РОХС, досегну и сродне одобрења.


К2.Шта је твоја узорак политика?

А2: Бесплатан узорак могао би се обезбедити у року од 3 дана, али експресну накнаду треба да плати купац.


К3. Какви су ваши услови паковања?

А3: Генерално, имамо робу у неутралне кутије и смеђе кутије или прилагођени ако је достигао КТИ.


К4. Који су ваши услови плаћања?

А4: Заједничко, Т / Т 30% као депозит и 70% пре испоруке., Ако је износ> 2000УСД



ПроизводСпецификација

Пребаците техничке карактеристике:
Артикал Технички параметар Вредност
1 Електрични рејтинг 10МА 14В ДЦ / 0.1А 30ВДЦ
2 Радна снага ≤1.5н
6 Електрични живот 50000 Циклуси
7 Механички живот ≥100000 Циклуси
8 Не (оперативни положај) 8,4 ± 0,3 мм
9 НЦ (оперативни положај) 8.7 ± 0,3 мм
10 Доказ о вибрацијама Фреквенција вибрације: 10 ~ 55Хз
Амплитуда: 1,5 мм
Три упутства: 1Х
11 Способност лемљења: више од 80% уроњеног дела
биће прекривено лемљењем
Температура лемљења: 235 ± 5 ℃
Време уроњености: 2 ~ 3С
12 Отпорност топлоте ДИП лемљење: 260 ± 5 ℃ 5 ± 1С
Ручно лемљење: 300 ± 5 ℃ 2 ~ 3с
13 Услови за тестирање Температура околине: 20 ± 5 ℃
Релативна влага: 65 ± 5% РХ
Притисак ваздуха: 86 ~ 106КПА


Детаљи производаs



Хот Тагс: Водоотпорни микро прекидач Ултра Цомпацт
Повезана категорија
Пошаљи упит
Слободно пошаљите свој упит у форму испод. Одговорићемо вам у року од 24 сата.
X
We use cookies to offer you a better browsing experience, analyze site traffic and personalize content. By using this site, you agree to our use of cookies. Privacy Policy
Reject Accept